|
Dreiphasiges Stromrelais zur Laststromregelung/-begrenzung im Bereich von 40-100 A, Hersteller TENSE (Türkei)
Die digitalen Überstromrelais TRM-100 wurden entwickelt, um Lasten vor Schäden durch hohe Ströme zu schützen und gleichzeitig eine Betriebskontrolle zu ermöglichen.
- 40-100 A (einstellbarer Überstromwert) - 50% feste Stromasymmetrie - Einstellbare Fehlerverzögerungszeit - Einstellbare Betriebsart (automatisch, halbautomatisch, manuell) - Beim Kauf eines TENSE-Stromrelais erhalten Sie ein komplettes, betriebsbereites Gerät - inklusive Stromwandler.
Verwendung des Geräts und Funktionsweise
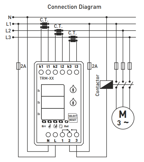
- Schließen Sie das Gerät gemäß dem Schaltplan an.
- Wenn die Verdrahtung abgeschlossen ist, schalten Sie das Gerät ein. Nach dem Einschalten zeigt das Display für 5 Sekunden die eingestellten Werte an.
- Verwenden Sie den Regler "A>", um den Überstromwert einzustellen. Der eingestellte Wert wird in der linken Anzeige angezeigt.
- Mit dem Regler "t" kann die Verzögerungszeit eingestellt werden. Der eingestellte Wert wird ebenfalls auf dem linken Display angezeigt.
Beim Einschalten des Geräts: - Das Relais zieht an, der Ausgangskontakt schaltet auf Klemme 3 um und die Anzeige OUT leuchtet auf. - Wenn der Strom den eingestellten Überstromwert (A>) überschreitet, beginnt das Gerät mit der Rückwärtszählung der Verzögerungszeit und die Anzeige ERR leuchtet auf. - Nach Ablauf der Zeit schaltet das Relais ab, der Kontakt schaltet auf Klemme 1 um und die Anzeige OUT erlischt.
Beschreibung
Das elektronische Stromrelais der Serie TRM-100 ist für die automatische Abschaltung von Geräten bei Überschreitung des maximal zulässigen Stroms konzipiert. Es ermöglicht die Einstellung von Schaltstrom, Verzögerungszeit und Wiedereinschaltzeit.
Für die Rückkehr in den "Arbeits"-Modus stehen drei Programme zur Verfügung: MANUELL, SEMI-AUTOMATIK und AUTOMATIK.
Rückstellmodi:
- Manueller Modus: Nach einem Überstromfehler muss das Gerät durch Drücken der Reset-Taste zurückgesetzt werden. In diesem Modus leuchtet die entsprechende LED. - Halbautomatischer Modus. In diesem Modus leuchtet die entsprechende LED. - Automatikmodus: Das System setzt sich nach jedem Überstromfehler automatisch zurück. In diesem Modus leuchtet die entsprechende LED.
Hinweis: Um den Modus zu ändern, halten Sie die SELECT-Taste 10 Sekunden lang gedrückt. Wenn der Modus geändert wird, leuchtet die entsprechende LED-Anzeige auf.
Asymmetrie 50% (fest)
Wenn die Differenz zwischen dem größten und dem kleinsten Phasenstrom 50 % übersteigt, schaltet das Gerät innerhalb von 2 Sekunden in den Asymmetrie-Fehlermodus. (Dies verhindert Schäden an der Anlage, wenn eine Phase während des Motorbetriebs ausfällt).
Während eines Asymmetriefehlers: - Die Anzeigegruppe der beiden Phasen, die den Fehler verursacht haben, blinkt und die ERR-Anzeige leuchtet. - Um den Fehlermodus zu verlassen, muss das Gerät manuell zurückgesetzt werden.
Technische Parameter:
- Betriebsspannung: 150-260 VAC. - Betriebsfrequenz: 50/60 Hz - Leistungsaufnahme: < 6 VA - Betriebstemperatur: -20 °C bis +55 °C - Anzeige: 3x3 Ziffern, 5 LEDs - Überstromeinstellung (A>): 40-100 A - Verzögerungszeit: 0,1 s - 20 s - Anschlussart: Klemme - Kontakte: 5 A / 250 V AC (aktive Last) - Drahtdurchmesser: 2,5 mm² - Gewicht: max. 250 g - Montage: auf DIN-Schiene - Betriebshöhe: < 2000 m
Hinweis: Die TRM-50, TRM-100, TRM-200 und TRM-300 können nur mit den im Lieferumfang enthaltenen Stromwandlern verwendet werden. Das TRM-400 kann mit dem mitgelieferten 400/5 Stromwandler verwendet werden. Grundlegendes
|
Hersteller
|
Tense
|
|
Land der Herstellung
|
Türkei
|
|
Einbauart
|
Montage auf DIN-Schiene
|
|
Anzahl der Erweiterungskontakte
|
1 Stk.
|
|
Anzahl der Schaltkontakte
|
1 Stk.
|
|
Querschnitt der angeschlossenen Drähte
|
2,5 mm²
|
|
Material des Gehäuses
|
Kunststoff
|
|
Ansicht
|
Ja
|
|
Gewicht
|
250 g
|
|
Ein/Aus-LED
|
Ja
|
|
LED "Überlast"
|
Ja
|
|
Minimale Lagertemperatur
|
-5 Grad
|
|
Maximale Lagertemperatur
|
55 Grad.
|
|
Schutzart IP
|
30
|
|
Lebensdauer
|
10 Jahre
|
|
Technische Daten
|
|
|
Anzahl der Phasen
|
3
|
|
Nennbetriebsspannung AC
|
220V
|
|
Bemessungsstrom
|
5A
|
|
Frequenz des Stroms
|
50 Hz
|
|
Nennstrom
|
3W
|
|
Minimale Betriebstemperatur
|
-5 Grad
|
|
Maximale Betriebstemperatur
|
55 Grad.
|
|
Gesamtabmessungen
|
|
|
Länge
|
85 mm
|
|
Höhe
|
75 mm
|
|
Breite
|
44 mm
|
|
Benutzermerkmale
|
|
|
Verzögerungszeit
|
0,1 s - 20(s)
|
|
Einbau
|
DIN+Schrauben
|
|
Bereich
|
40-100 A
|
|