Aspirators / Fans
Measuring Instruments
Cam Switches / Toggle Switches
Empty Plastic Enclosures
Heating, ventilation, cooling
Lighting fixtures, LED Bulbs
Optical and Acoustic Signaling
Terminal Blocks
Compensation Components
Instrument Current Transformers
Level Controllers
Protocol Converters
Sockets, Plugs, and Extensions
Temperature Regulators and Sensors
Protection Relay
Time Relays
Description
Digital voltmeter for AC voltage 0-500V True RMS, panel meters TENSE
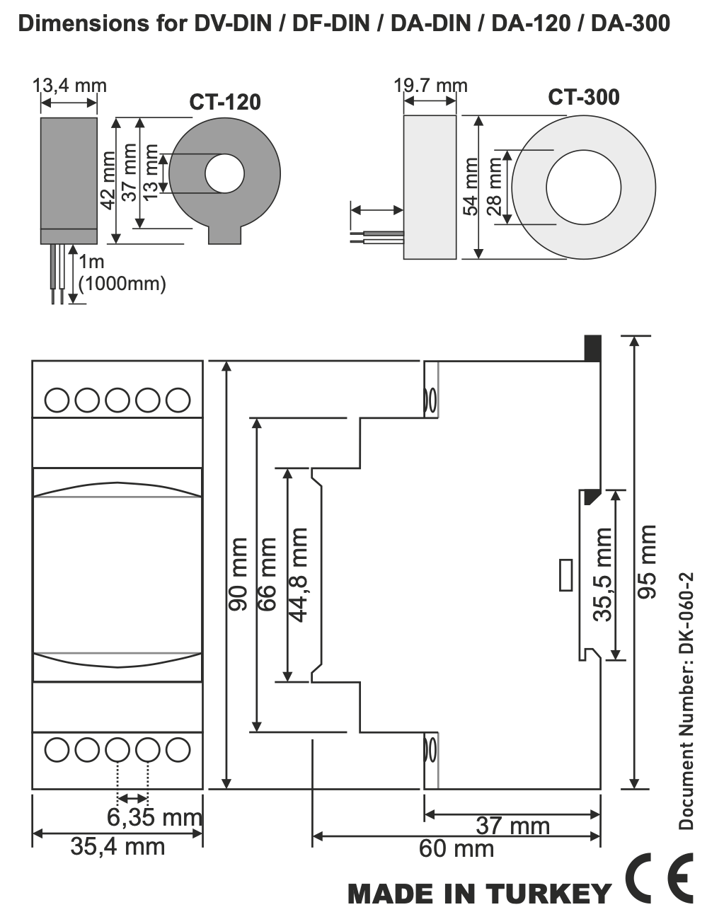
Voltmeter mounts on a standard 35mm DIN rail
Technical data
Measuring range: 0-500 V AC
Measurement accuracy: ±%1
Operating voltage (Un): 140V-280V AC
Operating frequency: 50/60 Hz.
Operating power: <3VA
Operating temperature: -20 °C …. +55 °C
