Aspiratoren / Ventilatoren
Messinstrumente
Nockenschalter / Kippschalter
Leere Kunststoffgehäuse
Heizung, Lüftung, Kühlung
Leuchten, LED-Lampen
Optische und akustische Signalisierung
Reihenklemmen
Kompensationskomponenten
Messstromwandler
Füllstandregler
Protokollkonverter
Steckdosen, Stecker und Verlängerungen
Temperaturregler und Sensoren
Schutzrelais
Zeitrelais
Beschreibung
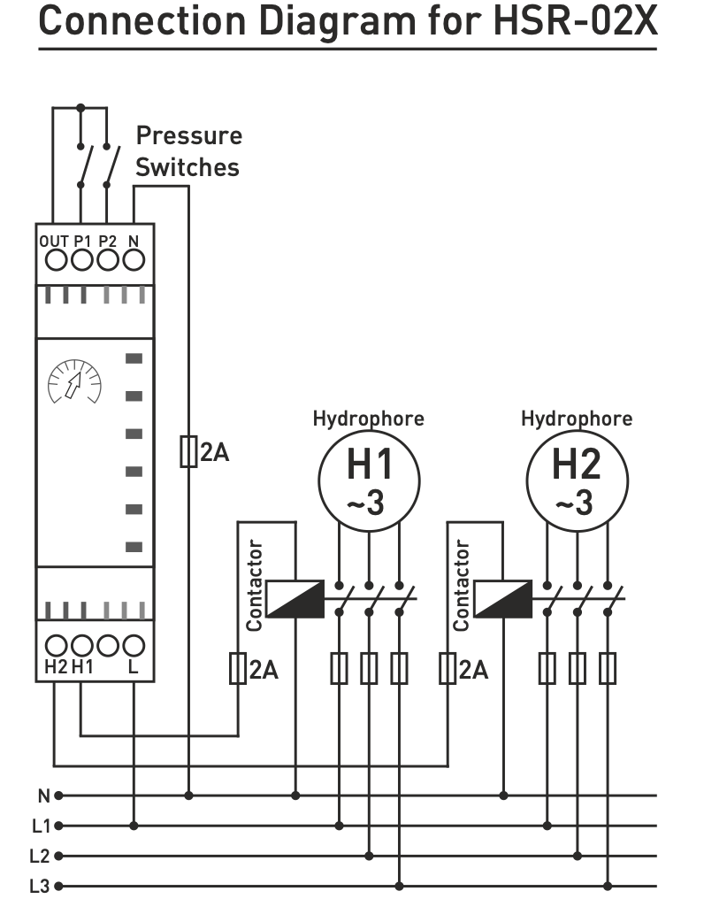
Hydrophore sequentielles Relais mit Zeitschaltuhr für 2 Pumpen
Beschreibung des Produkts
Das sequentielle Hydrophor-Relais ist für dieSteuerung des Betriebs von zwei Pumpenin Abhängigkeit vom Systemdruck konzipiert.
Es bietet:
-
GleichmäßigePumpenrotationzur Verlängerung der Lebensdauer der Anlage
-
Synchronisierter Betrieb der Pumpen, wenn mehrere Druckerhöhungsanlagen erforderlich sind
-
Automatische Steuerungin Abhängigkeit vom aktuellen Systemdruck
Wichtigste Funktionen
-
Steuerung von zwei Pumpen in einem Hydrophorsystem
-
Abwechselnder Pumpenbetrieb für gleichmäßigen Verschleiß
-
Timer zur Einstellung der Verzögerung zwischen den Pumpenstarts
-
Option zum Anschluss zusätzlicher Booster für größere Systeme
-
Schutz der Pumpen vor Überlast und Überlauf
Technische Parameter
(wenn Sie genaue Werte haben, können wir diese hinzufügen, z.B. Stromversorgung, Leistung, Betriebsbereich, Montage usw.)
-
Anzahl der Pumpen: 2
-
Montageart: DIN-Schiene / Tafel
-
Funktionen: Abwechslung, Timer, Druckregelung
Anwendung:
-
Wassersysteme mit Hydrophonen und Druckbehältern
-
Häusliche und industrielle Anwendungen
-
Sicherstellung eines gleichmäßigen Betriebs und Schutz der Pumpen
-
Steuerung von Druckerhöhungsanlagen in Mehrpumpensystemen
