Aspiratoren / Ventilatoren
Messinstrumente
Nockenschalter / Kippschalter
Leere Kunststoffgehäuse
Heizung, Lüftung, Kühlung
Leuchten, LED-Lampen
Optische und akustische Signalisierung
Reihenklemmen
Kompensationskomponenten
Messstromwandler
Füllstandregler
Protokollkonverter
Steckdosen, Stecker und Verlängerungen
Temperaturregler und Sensoren
Schutzrelais
Zeitrelais
Beschreibung
Blindleistungsregler RGT-MT18 - 18 Stufen + SVC, Touchscreen, RS485 MODBUS RTU
Die Neuentwicklung vonTENSEerfüllt alle aktuellen Anforderungen an moderne Blindleistungskompensationsanlagen, die in industriellen und zivilen Einrichtungen installiert sind: Fabriken, Werkstätten, Bauernhöfe, Hotels, Tankstellen, Einkaufszentren, Schulen, Krankenhäuser, Banken.
Über das Gerät
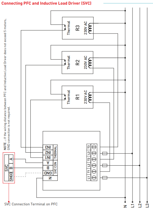
Der RGT-MT18ist ein 18-stufiger, dreiphasiger,SVC-kompatibler (TCR) Blindleistungskompensationsregler mit Touchscreen.
-
Er wird zurBlindleistungskompensation(induktiv und kapazitiv) eingesetzt.
-
Wenn die induktive Blindleistung aus dem Netz stammt, schaltet der Regler Kondensatoren zu.
-
Kommt die kapazitive Blindleistung aus dem Netz, schaltet der Regler eine Shunt-Drossel ein.
-
Ziel ist es, das Verhältnis zwischen induktiver und kapazitiver sowie Wirk- und Blindenergie im System zu verringern.
-
Er ermöglicht eine effektive Stufenkompensation für unsymmetrische Systeme.
Was ist ein SVC (TCR)?
SVC - Static VAR Compensationist ein statisches Blindleistungskompensationssystem, dasthyristorgesteuerte Drosselnverwendet, um die kapazitive Leistung im System gleichmäßig und schnell zu kompensieren.
Wichtigste Vorteile und Merkmale
-
18 Relaisausgänge + SVC (TCR)
-
5-Zoll-Touchscreen- einfache Installation und vollständige Systemsteuerung
-
Alarmausgang: Spannung, Oberschwingungsstrom/-spannung, induktive und kapazitive Leistung
-
Generatoreingang und Generatorkompensation
-
Fernkommunikationüber RS485 (MODBUS RTU)
-
Manuelle Stufenwerteinstellung
-
Anschluss von ein-, zwei- und dreiphasigen Kondensatoren und Nebenschlussdrosseln
-
Überwachung von Spannungs- und Stromoberschwingungen bis zur61sten Oberschwingung
-
Temperatur-Alarmausgang
-
Grafische Anzeige: Leistungsfaktor, cosφ jeder Phase
-
Grafische Anzeige: Verhältnis von kapazitiver/Blindenergie und induktiver/Blindenergie
-
Überwachung der Gesamtenergie (Import/Export)
-
Überwachung von THD-V und THD-I für jede Phase
-
Erstellung von Leistungsanalysen (20 Stichproben, 9999 Min.)
-
Erfassung der Leistungsaufnahme (Wirk-, Blind-, Schein- und Stromleistung)
-
Überwachung der minimalen, maximalen und durchschnittlichen Strom- und Spannungswerte jeder Phase
-
Echtzeit (RTC)
-
Passwortgeschütztes Menü
Technische Daten
-
Versorgungsspannung:100-300 VAC
-
Frequenz:50/60 Hz
-
Leistungsaufnahme:< 12 VA
-
Betriebstemperatur:-20 °C bis +55 °C
-
Spannungsmessbereich:5-280 V AC
-
Strommessbereich:5 mA - 5,5 A (ohne Stromwandler)
-
Anschließbarer TTI:5/5 A ... 10000/5 A
-
Anzahl der Oberschwingungen: 2-61
-
Echtzeituhr:> 5 Jahre
-
Messgenauigkeit: ±1 %
-
Anzeige:5-Zoll-Farb-Touchscreen
-
Anschlussart:Klemmleiste
-
Kontakte der Endstufen:3 A/250 VAC
-
Anzahl der Stufen:18 + SVC
-
Schnittstelle:RS485 MODBUS RTU
-
Kabeldurchmesser:2,5 mm²
-
Gewicht:max. 900 g
-
Montage:versenkt in der Schalttafel
-
Arbeitshöhe:< 2000 m
-
Schutzart:IP41 (Frontplatte), IP20 (Gehäuse)
-
Abmessungen des Schalttafelausschnitts:140 × 140 mm
Technische Daten
Einbau:auf der Frontplatte
Einbauloch:140 mm x 140 mm
Anschlussart:Steckklemme
Befestigung: Stecker für Steckdose:Befestigung: Zugbügel
