Aspiratoren / Ventilatoren
Messinstrumente
Nockenschalter / Kippschalter
Leere Kunststoffgehäuse
Heizung, Lüftung, Kühlung
Leuchten, LED-Lampen
Optische und akustische Signalisierung
Reihenklemmen
Kompensationskomponenten
Messstromwandler
Füllstandregler
Protokollkonverter
Steckdosen, Stecker und Verlängerungen
Temperaturregler und Sensoren
Schutzrelais
Zeitrelais
Beschreibung
Thermostat / 2-Punkt-Temperaturregler TENSE
Produkt-Beschreibung:
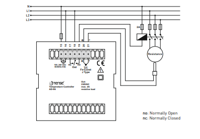
Der Temperaturregler ist für dieEIN/AUS- (ON/OFF) oder proportionale Regelung vonTemperaturprozessen konzipiert. Geeignet für Heizungs-, Klima- und Lüftungsanlagen, Gebäudeautomation und Industrieanlagen.
Funktionen und Merkmale:
-
ON/OFF (Zweipunkt-) oder Proportionalregelung.
-
Fühlertyp:T/C (Typ J, Fe-Const)
-
Relaisausgänge:OUT (NO + NC), 250VAC, 2A
-
EinstellbareHysterese
-
EEPROM-Speicherzum Speichern von Einstellungen
-
Übersichtliches Display mit gewünschter Temperatureinstellung
Messbereich und Genauigkeit:
-
Messbereich:0 °C ... +400 °C
-
Auflösung/Schrittweite:1 °C
Empfohlenes Zubehör:
-
TypJ Fe-ConstTemperatursensoren(6/8 Meter), Bereich -100 °C ... +600 °C
-
Lieferbar mit Kabel:1 m, 1,5 m, 2 m, 2,5 m, 3 m, 4 m oder 5 m
Anwendung:
-
Heizungs-, Klima- und Lüftungstemperaturregelung
-
Industrielle Anlagen und Maschinen, bei denen eine präzise Temperaturregelung erforderlich ist
-
Überwachung und Schutz von Geräten
Vorteile:
-
Zuverlässiges türkischesTENSE-Produkt
-
Einfacher Anschluss und Einrichtung
-
Speicher, der die Einstellungen auch nach einem Stromausfall beibehält
Technische Daten
Sensor-Typ:J, T/C, Fe-Const
Betriebsspannung:100-240 VAC
Betriebsleistung: <6VA
Betriebstemperatur:-20 °C .... +50 °C
Anschlussart:Steckbare Klemme
Befestigung: Steckmodul: Steckmodul für Netzanschluss:Klemme: Zugbügel
