Aspiratoren / Ventilatoren
Messinstrumente
Nockenschalter / Kippschalter
Leere Kunststoffgehäuse
Heizung, Lüftung, Kühlung
Leuchten, LED-Lampen
Optische und akustische Signalisierung
Reihenklemmen
Kompensationskomponenten
Messstromwandler
Füllstandregler
Protokollkonverter
Steckdosen, Stecker und Verlängerungen
Temperaturregler und Sensoren
Schutzrelais
Zeitrelais
Beschreibung
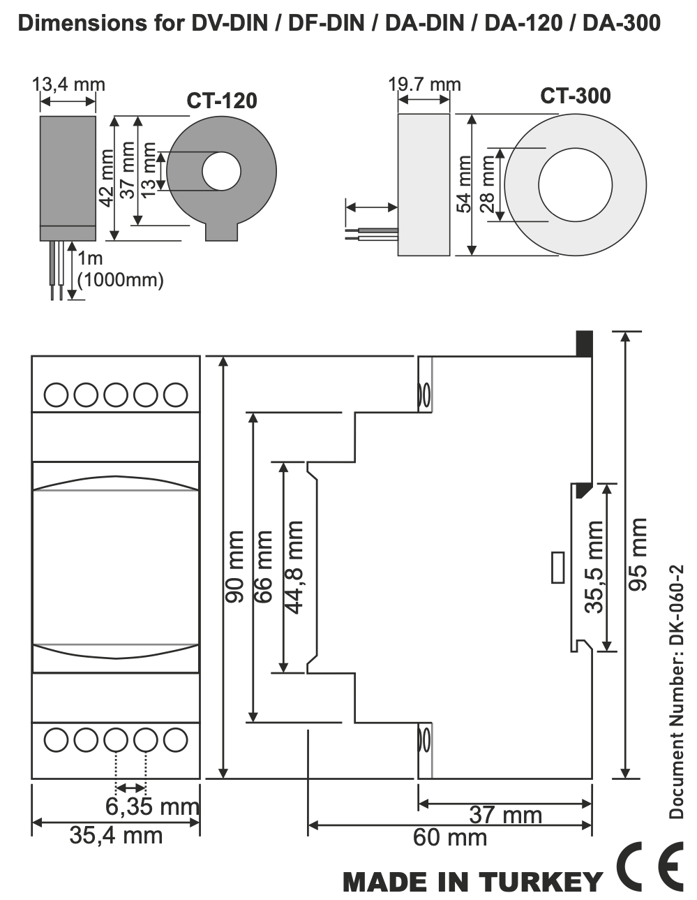
Digitales Amperemeter für AC 100 oder 250 Ampere True RMS, indirekt gemessen, inklusive Messwandler, TENSE Panelmeter
Amperemeter wird auf Standard 35mm DIN-Schiene montiert
Technische Daten
Messbereich:1A - 100A (DA-120), 2A - 250A (DA-300)
Messgenauigkeit:±%3(A)
Betriebsspannung (Un):140V-280V AC
Betriebsfrequenz:50/60 Hz.
Betriebsleistung: <3VA
Betriebstemperatur:-20 °C .... +55 °C
