Multifunktionales Zeitrelais 2x4 LED-Anzeige für Schalttafel-/Türmontage

SKU: N/A

Price range: 109,80 € through 114,68 €

Beschreibung

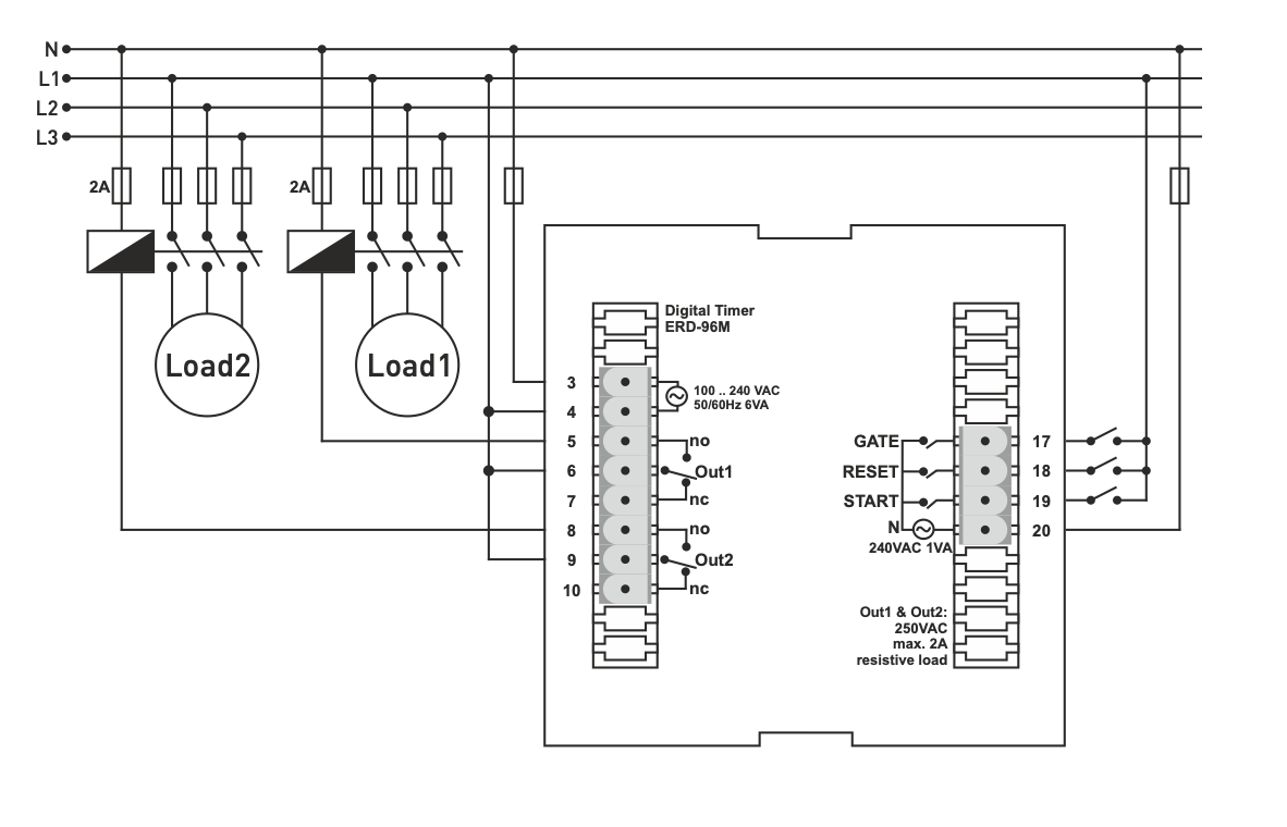
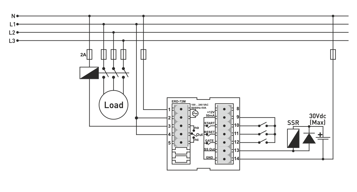
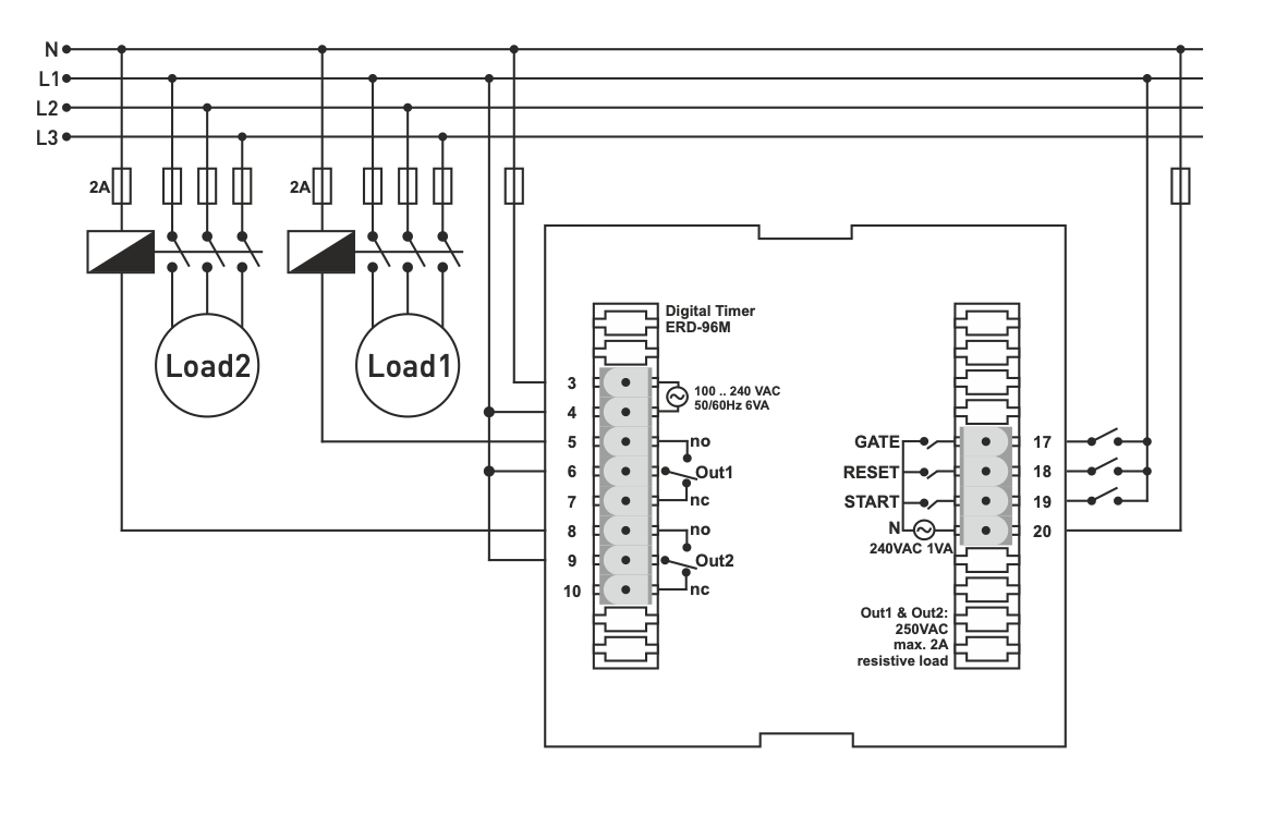
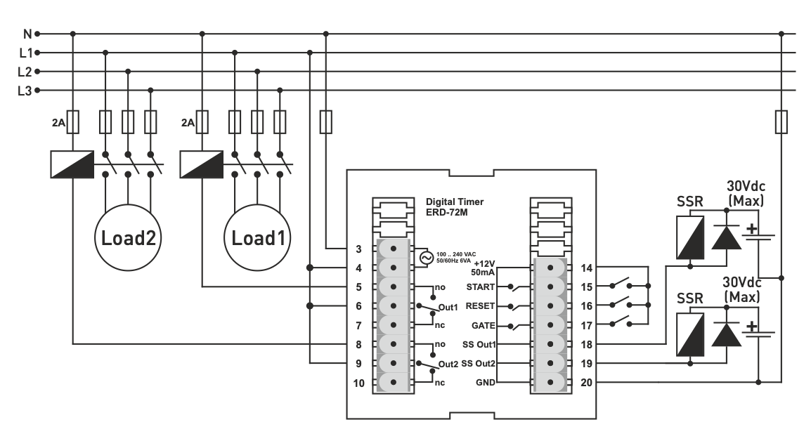
Multifunktionales Zeitrelais mit 2x4 LED-Anzeige für Schalttafel-/Türmontage. ZEIT ERD-96M, ERD-48M, ERD-72M

Zeitrelais mit acht Funktionen:

Modus 0: Gepulste Verzögerung, OFF mit RESET

Modus 1: Blinken mit START/RESET

Modus 2: One Shot nach ON und OFF

Modus 3: Aus-Verzögerung

Modus 4: Follow & ON Verzögerung

Modus 5: Verzögerter One Shot nach AUS

Modus 6: Chronometer - Zählen mit START

Modus 7: Chronometer - Zählen mit START, Zurücksetzen mit RESET

Zeiteinstellungsbereich:

99:59 Stunden / 99:59 Minuten / 599,9 Sekunden

Technische Daten

Schaltkontakt:max. 5A/250VAC

Betriebsfrequenz:50/60 Hz.

Betriebsleistung:<5VA

Betriebstemperatur:-20 °C .... +55 °C

Anschlussart:Steckbare Klemme

Befestigung: SteckverbinderKlemme: Zugbügel